服務近2000家企業,依托一系列實踐中打磨過的技術和產品,根據企業的具體業務問題和需求,針對性的提供各行業大數據解決方案。
軟件開發與維護管理標準
來源:未知 時間:2021-40-1 瀏覽次數:241次
1 范圍本標準規定了公司軟件開發與維護管理的職責和權限、管理內容和方法、報告和記錄。
本標準適用于公司軟件開發與維護管理。
2 規范性引用文件
下列文件中的條款通過本標準的引用而成為本標準的條款。凡是注日期的引用文件,其隨后所有的修改單(不包括勘誤的內容)或修訂版均不適用于本標準,使用本標準的相關部門、單位及人員要研究是否可使用這些文件的最新版本。凡是不注日期的引用文件,其最新版本適用于本標準。
Q/HD 212.07—2007 計算機信息系統管理標準
Q/HD 202.04—2007 科技規劃和科技項目管理標準
Q/HD 201.08—2007 合同管理管理標準
3 術語和定義
下列術語和定義適用于本標準
3.1
數據字典
是預留空間數據庫是用來儲存資料的數據庫本身。
3.2
程序
是計算機的一組指令,經過編譯和執行才能最終完成程序設計的動作。程序設計的最終結果是軟件。
4 職責
4.1 主管領導
4.1.1 提出軟件開發需求。
4.1.2 審批軟件需求報告。
4.1.3 審批開發方式。
4.1.4 審批軟件開發計劃。
4.1.5 審批軟件設計開發商。
4.1.6 審批軟件開發設計報告。
4.2 信息中心
4.2.1 組織調研用戶需求。
4.2.2 編制軟件需求報告。
4.2.3 制定軟件開發方式。
4.2.4 簽訂開發協議。
4.2.5 軟件開發、測試、修改工作。
4.2.6 指導用戶軟件應用。
4.3 相關部門/基層單位
4.3.1 提出軟件開發需求。
4.3.2 協助軟件開發調研工作。
4.3.3 上報軟件使用情況。
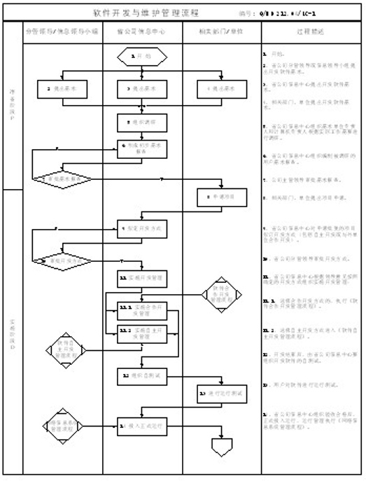
5 管理活動的內容與方法
5.1 本標準依據的流程
5.1.1 軟件開發與維護管理流程(見附錄A)。
5.1.2 軟件自主開發與維護管理流程(見附錄B)。
5.1.3 軟件合作開發與維護管理流程(見附錄C)。
5.2 軟件開發與維護管理
5.2.1 提出軟件開發需求
5.2.1.1 分管領導或信息領導小組提出開發軟件需求。
5.2.1.2 信息中心提出開發軟件需求。
5.2.1.3 相關部門、單位提出開發軟件需求。
5.2.2 組織調研
信息中心組織需求單位專責人和計算機專責人根據實際工作需要進行調研。做好需求調研分析及軟件設計是提高軟件質量的基礎。
5.2.3 編制初步需求報告、審批
信息中心組織編制被調研的用戶需求報告。上報主管領導審批需求報告。
5.2.4 提出申請
相關部門、單位提出軟件開發項目申請。
5.2.5 制定開發方式、審批
5.2.5.1 信息中心對申請批復的項目擬訂開發方式(包括自主開發或與外單位合作開發),上報分管領導審批開發方式。
5.2.5.2 信息中心根據領導意見按照確定的開發方式組織實施開發管理:
a) 選擇自助開發方式按5.3條款執行;
b) 選擇合作開發方式按5.4條款執行。
5.2.6 自測
開發結束后,由信息中心要組織開發軟件的自測試。
5.2.7 用戶測試
用戶對軟件進行運行測試。
5.2.8 投入使用
信息中心組織驗收合格后,正式投入運行,運行管理執行Q/HD 212.07—2007《計算機信息系統管理標準》。
5.2.9 反饋意見
用戶在實際應用過程中及時反饋使用意見。
5.2.10 調整程序
信息中心根據用戶意見,自行或組織開發單位對應用系統進行適合的調整改進。
5.3 軟件自主開發與維護管理
5.3.1 確定自主開發項目
信息中心依據Q/HD 202.04—2007《科技規劃和科技項目管理標準》的要求,確定需要自行開發的軟件項目,成立自主軟件開發項目組。
5.3.2 簽訂協議
信息中心與公司直屬單位、各供電公司簽定軟件開發協議。
5.3.3 制定開發計劃
信息中心制定定具體實施開發計劃。
5.3.4 形成調研報告
5.3.4.1 信息中心組織對要開發軟件進行詳細需求調研。
a) 制定調研計劃。必須事先制定一個調研計劃,以便雙方有關人員,特別是用戶方面的人員,安排好工作時間。調研計劃中應包含調研計劃基本信息、時間安排、調研內容、接待部門和人員、調研成果等5個方面的信息;
b) 選擇調研方法和工具:經常采取的調查方法主要有表格調查法、座談調查法、查閱資料法和現場觀察法4種,同時還要使用與之相匹配的調研工具,比如統計表格、圖形等;
c) 進行資料收集。收集到了相應的反饋單、審批表、領料單、臺賬、物料卡、報表等資料,這些資料可以用作數據庫設計的依據;
d) 繪制業務流程圖。描述不僅僅是對系統原流程的機械拷貝,而應該是對原有系統的業務流程進行重新思考、設計、再造;
e) 調研人員應全面了解所有項目干系人的需求,并按照重要性優先級進行權衡取舍;
f) 應注意需求包含明確的和隱含的兩方面。需求調研分析人員應善于想用戶所想,不但要確定明確的需求,還要善于用啟發的方式與用戶探討隱含的或潛在的需求,并結合各種調研分析技術挖掘超出客戶期望的令人興奮的需求;
g) 調研人員充分與實際軟件使用者,進行充分溝通,避免“從頭再來”的發生。
5.3.4.2 相關單位應積極配合工作提供相關資料。
5.3.4.3 信息中心形成詳細的用戶調研需求報告。
5.3.5 確定運行平臺
信息中心根據公司、相關單位對軟件開發環境的要求確立本次軟件開發平臺、用戶應用平臺、后臺運行平臺。為了降低系統成本,信息中心應最大程度地利用現有的資源、兼容現有的環境。
5.3.6 編制總體設計報告、審批
信息中心進行開發軟件的總體設計,并形成總體設計報告。報分管領導審批設計報告后。組織實施設計報告。
5.3.7 劃分軟件模塊
省公司信息中心進行軟件功能模塊劃分,并形成各模塊的詳細說明文件。
5.3.8 編制、審核數據字典
5.3.8.1 省公司信息中心編制數據字典。要求形成詳細的數據字典文件和說明文件。說明文件主要體現三方面內容:
a) 邏輯結構設計要點。給出本系統內所使用的每個數據結構的名稱、標識符以及它們之中每個數據項、記錄、文卷和系的標識、定義、長度及它們之間的層次的或表格的相互關系。
b) 物理結構設計要點。給出本系統內所使用的每個數據結構中的每個數據項的存儲要求,訪問方法、存取單位、存取的物理關系(索引、設備、存儲區域)、設計考慮和保密條件。
c) 數據結構與程序的關系。說明各個數據結構與訪問這些數據結構的各個程序之間的對應關系:
5.3.8.2 信息中心組織審核確認數據字典。
5.3.9 編制、評審程序
5.3.9.1 省公司信息中心編制程序。
5.3.9.2 程序編制階段結束后,省公司信息中心組織人員對程序的適用性進行評審,檢查各環節管理中數據處理的便利性和可行性,考察系統與用戶的實際需求是否緊密連在一起。
5.3.9.3 信息中心整理評審資料。
5.3.10 移交、指導、應用軟件
5.3.10.1 省公司信息中心將軟件移交協議單位。協議單位現場應用軟件。
5.3.10.2 信息中心對軟件的應用過程進行技術指導。
5.3.11 反饋軟件運行情況
協議單位將軟件應用的情況準確、全面地反饋給信息中心。填寫“軟件使用情況反饋表”(由信息中心提供表格樣式)。
5.3.12 分析不足
信息中心依據現場指導掌握及協議單位反饋的情況,全面分析應用效果,找出不足。
5.3.13 改進和完善
信息中心依據分析結果進行軟件的改進和完善。
5.3.14 申請驗收或鑒定
信息中心依據Q/HD 202.04—2007《科技規劃和科技項目管理標準》的規定,申請并組織實施軟件開發項目的驗收或鑒定。
5.4 軟件合作開發管理
5.4.1 聯系合作開發單位
5.4.1.1 省公司信息中心根據開發需求,以電話或傳真方式聯系合作開發單位。
5.4.1.2 對有合作意向的開發商信息中心要求提供資質材料。包括公司營業執照、規模、技術人員資質證明等。
5.4.2 篩選合作開發單位
省公司信息中心組織需求單位、技術人員,依據開發商提供資料綜合考慮、進行篩選。
5.4.3 擬定、審核開發單位名單
5.4.3.1 信息中心初步擬定合作開發單位名單,并報省公司分管領導或信息領導小組審批。
5.4.3.2 分管領導或信息領導小組審批初步擬訂合作開發單位名單,對通不過審批的要重新篩選。
5.4.4 簽訂開發協議
審批通過后,由省公司信息中心與合作開發單位簽訂開發協議,具體執行Q/HD 201.08—2007《合同管理管理標準》。
5.4.5 實施開發計劃
5.4.5.1 信息中心組織成立軟件合作開發課題組,并依據Q/HD 202.04—2007《科技規劃和科技項目管理標準》的規定組織實施開發計劃。
5.4.5.2 信息中心協助軟件開發商,到客戶處進行詳細需求調研,軟件開發商形成詳細的用戶調研需求報告。
5.4.5.3 組織合作開發單位,根據公司、相關單位對軟件開發環境的要求確立本次軟件開發平臺、用戶應用平臺、后臺運行平臺。為了降低系統成本,信息中心應要求開發商最大程度地利用現有的資源、兼容現有的環境。
5.4.6 形成、審批總體設計報告
合作開發單位進行軟件的總體設計,并形成總體設計報告。信息中心審批總體設計報告。審核依據包括以下方面:
a) 先進性,系統的先進性主要體現在系統能夠最大限度地適應今后技術發展變化和業務發展需要,系統的結構是先進的、開放的,采用的計算機和網絡技術是先進的;
b) 安全性,在考慮服務器操作系統及數據庫管理系統等重要支持平臺時,要采用可靠的硬件產品,開發高質量的應用系統,采用防火墻技術,對數據進行加密處理等,保證系統處于安全基礎之上;
c) 經濟性,在滿足系統需求的前提下,應盡可能選用價格便宜的設備,以便節省投資。由于計算機價格逐年下降,可考慮總體設計,分步實施,購買設備可分步進行,以降低總的成本。總之,以最低成本來完成本系統的建設;
d) 適用性,適用性就是能夠最大限度地滿足實際工作要求,系統總體設計要充分考慮企業當前各業務層次、各環節管理中數據處理的便利性和可行性,把滿足業務需求作為第一要素進行考慮,系統軟硬件設備和網絡設備在選型上要以適用為基本的要求,使系統始終與用戶的實際需求緊密連在一起,增加系統的適用性;
e) 可擴展性,對于硬件設備,如網絡設備、重要的服務器等,在選型、系統設計、安裝時要保證在將來業務量增加的情況下,能方便地增加性能,擴展功能,同時又不損害以往的設備投資;
f) 易維護性,對軟件而言,根據軟件工程的理論,系統維護在整個軟件的生命周期中所占比重是最大的,因此,提高系統的可擴充性和可維護性是提高系統性能的必備手段。
5.4.7 劃分軟件模塊
合作開發單位進行軟件模塊劃分。并形成各模塊的詳細說明文件。
5.4.8 編制、審核數據字典
合作開發單位進行編制數據字典。并形成詳細的數據字典文件,并上報信息中心組織審核。信息中心組織審核數據字典文件。
5.4.9 編制、審查資料
5.4.9.1 數據字典文件審核合格后,合作開發單位編制程序。
5.4.9.2 信息中心接收所有源資料。
5.4.9.3 信息中心在程序編制階段結束后,審查所有資料。
5.4.10 申請驗收或鑒定
信息中心依據Q/HD 202.04—2007《科技規劃和科技項目管理標準》的規定,申請并組織實施軟件開發項目的驗收或鑒定。
5.4.11 移交、指導、應用軟件
5.4.11.1 省公司信息中心經過測試軟件合格后,將軟件移交使用單位。
5.4.11.2 使用單位現場應用軟件,軟件開發商/信息中心對軟件的應用過程及時進行技術指導。
5.4.12 反饋軟件運行情況
使用單位將軟件應用的情況準確、全面地反饋給信息中心,填寫“軟件使用情況反饋單” (由信息中心提供表格樣式)。
5.4.13 分析不足
信息中心依據現場指導掌握及協議單位反饋的情況,及時聯系軟件開發商,全面分析應用效果,找出不足。
5.4.14 改進和完善
軟件開發方依據分析結果進行軟件的改進和完善。
6 報告和記錄
Q/HD 212.04/JL1 軟件使用情況反饋單 信息中心保存 保存年限 5年
7 附錄
7.1 附錄A(規范性附錄) Q/HD 212.04/LC-1 軟件開發與維護管理流程
7.2 附錄B(規范性附錄) Q/HD 212.04/LC-2 軟件自主開發與維護管理流程
7.3 附錄B(規范性附錄) Q/HD 212.04/LC-3 軟件合作開發與維護管理流程

文檔資料下載
![]() |
軟件開發與維護管理標準 |
- 上一篇: 項目管理PMP名詞解釋
- 下一篇: 軟件開發項目管理辦法

掃一掃